1. Product Overview
As global emission standards for the power industry become increasingly stringent, high-efficiency bag filters have become the gold standard for dust removal. The Long-Arm Rotary Tube Nozzle Bag Filter is specifically favored for its ability to handle massive air volumes with low maintenance requirements.
A critical challenge in large-scale systems has been the reliance on imported large-diameter valves, as domestic production was previously limited to valves under 3 inches. To address this gap, our researchers have developed a series of Large-Diameter Pulse Valves available in 8, 10, 12, 14, and 16-inch specifications, designed to meet the high blowing volume demands of modern environmental protection infrastructure.
2. Technical Features & Advantages
-
Three-Stage Diaphragm Technology: Our unique three-stage design optimizes the ratio between unloading, exhaust, and inflation damping, ensuring ultra-high sensitivity and smooth airflow.
-
Extreme Energy Efficiency: Engineered for low-pressure operation (0.05~0.1MPa), these valves significantly reduce the energy consumption of the dust cleaning system.
-
Alternative Air Supply: Due to the low pressure requirements, cost-effective Roots blowers can be used as the gas source instead of expensive high-pressure compressed air systems.
-
Enhanced Power Output: By maximizing the blowing air volume and reducing internal pressure drop, the valve delivers superior cleaning force even at lower pressures.
-
Integrated Tank Design: The valve is manufactured as an integrated unit with the compressed air tank, making the installation and maintenance of these heavy-duty components exceptionally convenient.
3. Working Principle
The pulse valve operates through a high-precision pressure balance system involving an solenoid post, a diaphragm, and the valve body:
-
Standby: The pressure in the rear diaphragm chamber exceeds that of the front chamber, keeping the valve firmly closed.
-
Activation: An electrical signal engages the solenoid, opening the unloading hole and rapidly venting the rear chamber pressure.
-
Blowing: The front chamber pressure lifts the diaphragm, opening the main channel for a high-volume air burst.
-
Reset: When the signal stops, the spring resets the solenoid to close the unloading hole; pressure then equalizes via the damping hole to reseal the valve.
4. Technical standard:
| Technical Category | Related Parameters |
|---|---|
| Working Pressure | 0.05 ~ 0.1 MPa |
| Working Medium | Clean air |
| Voltage | DC24V (AC220V/50Hz) |
| Current | 1.25A (0.5A) |
| Protection Level | IP65 |
| Working Environment | Temperature: -25°C ~ 100°C (Normal), 120°C (Transient) Relative humidity ≤ 85% |
| Diaphragm Service Life | Approx. 1 million cycles |
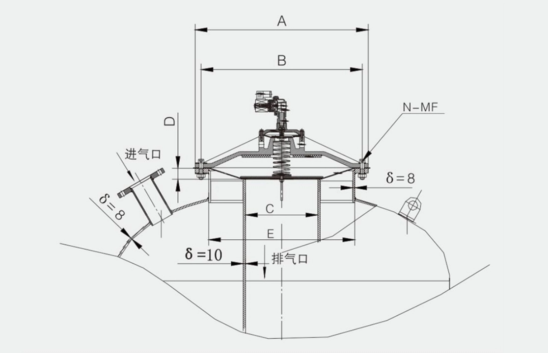
5. Product parameters:
| Model No. | Standard Tank Volume | Size | Installation Dimensions (mm) | Bolt Details | ||||||
|---|---|---|---|---|---|---|---|---|---|---|
| British | Metric | A | B | C | D | E | N (Qty) | MF (Bolt) | ||
| DMY-III-200C | 1.3~1.8m³ | 8″ | DN200 | φ490 | φ457 | φ200 | 35±0.1 | φ430 | 12 | M10 |
| DMY-III-250C | 1.3~2.2m³ | 10″ | DN250 | φ600 | φ560 | φ255 | 40±0.1 | φ514 | 16 | M12 |
| DMY-III-300C | 1.5~2.5m³ | 12″ | DN300 | φ730 | φ680 | φ305 | 46±0.1 | φ616 | 16 | M16 |
| DMY-III-350C | 1.5~2.8m³ | 14″ | DN350 | φ842 | φ780 | φ336 | 57±0.1 | φ716 | 20 | M20 |
| DMY-III-400C | 1.8~3.5m³ | 16″ | DN400 | φ940 | φ870 | φ406 | 50±0.1 | φ806 | 24 | M24 |
Technical Guide: 8″ to 16″ Large-Diameter Baghouse Pulse Valves
1. WHAT ARE 8″-16″ BAGHOUSE PULSE VALVES? (DEFINITION & SCALE)
These are Ultra-Large Diameter diaphragm valves (DN200 to DN400) engineered for massive industrial dust collection systems. Unlike standard valves, these are almost exclusively Submerged (Immersed) types, mounted directly inside the air header tank to minimize flow resistance and maximize instantaneous air release.
2. WORKING PRINCIPLE: DUAL-DIAPHRAGM DIFFERENTIAL
Due to the massive surface area, these valves utilize a Double-Diaphragm structure to manage high pressures:
- Balanced State: Compressed air fills the rear chamber via a bleed hole, equalizing pressure to keep the diaphragm sealed against the outlet.
- Pilot Exhaust: The solenoid pilot opens, venting the rear chamber and creating a massive pressure differential.
- Shockwave Release: The diaphragm lifts instantly, discharging a high-velocity air burst into the blowpipe to clean filter bags.
3. KEY BENEFITS & CLEANING ADVANTAGES
- Ultra-High Flow Capacity: A single 16″ valve can handle significantly more filter bags (up to 10-12m long) compared to multiple smaller valves.
- Lower Energy Consumption: The immersed design reduces “local resistance,” ensuring more kinetic energy reaches the bottom of the bags.
- Simplified System Design: Fewer valves mean fewer solenoid coils, fewer wiring connections, and reduced maintenance points for large-scale plants.
- High Reliability: Designed for extreme industrial cycles (1M+ shots) with heavy-duty reinforced diaphragms.
- Space Efficiency: Integration into the air tank reduces the overall footprint of the cleaning manifold.
4. COMMON DRAWBACKS & CHALLENGES
- Massive Air Consumption: A single pulse consumes a huge volume of compressed air; requires very large air tanks and high-recovery compressors.
- High Component Costs: Large-diameter diaphragm kits are expensive and specialized, requiring longer lead times for replacements.
- Sensitivity to Air Quality: Moisture or oil in the air line can lead to pilot blockage or diaphragm sticking, causing “continuous blow” which drains the entire system.
- Complex Installation: Requires high-precision welding and mounting on the air tank to ensure an airtight seal.
- Mechanical Stress: The recoil force during a pulse is substantial, requiring heavy-duty support for blowpipes and header tanks.
5. INDUSTRIAL APPLICATIONS (HEAVY SECTORS)
These valves are the “Workhorses” of heavy industry:
- Power Plants: Large-scale coal-fired boiler flue gas cleaning.
- Cement Production: Kiln heads and kiln tails with extremely high dust loading (Ideal for Xiechang® solutions).
- Metallurgy & Steel: Blast furnace gas purification and desulfurization systems.
- Waste-to-Energy: Massive baghouses for incineration flue gas treatment.
- Mining & Aggregates: Centralized dust control for large-scale crushing and screening stations.















