DCF-T-S Series Straight-Through Baghouse Pulse Valve
The DCF-T-S Series is a high-performance 180° straight-through diaphragm valve designed for industrial baghouse dust collectors. It ensures smooth airflow with minimal pressure loss, ideal for linear air tank and blowpipe configurations in cement and steel plants.
Technical Specifications
| Technical Category | Related Parameters |
|---|---|
| Working Pressure | 0.2 ~ 0.6 MPa |
| Working Medium | Clean Air |
| Voltage | DC24V (AC220V/50Hz) |
| Current | 1.25A (0.5A) |
| Protection Level | IP65 |
| Ambient Temperature | -10℃ ~ 55℃ (Standard) |
| Diaphragm Life | ≥ 1,000,000 Cycles |
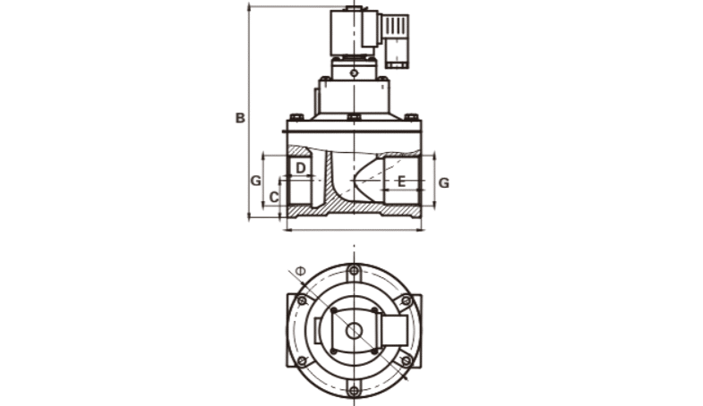
Dimensional Data
| Model No. | φ | A | B | C | D | E | G (Thread) |
|---|---|---|---|---|---|---|---|
| DCF-T-25S | φ112 | 127 | ~180 | 25 | 23 | 30 | G1″ |
| DCF-T-40S | φ127 | 127 | ~200 | 35 | 24 | 30 | G1½″ |
| DCF-T-50S | φ160 | 160 | ~220 | 41 | 28 | 35 | G2″ |
Straight-Through Pulse Jet Valve Technical Guide
1. WHAT IS A STRAIGHT-THROUGH PULSE JET VALVE?
2. HOW DOES IT WORK? (WORKING PRINCIPLE)
The operation is based on Pressure Balancing and Electromagnetic Induction:
- Closed State: Compressed air enters the rear chamber via a pilot hole, pressing the diaphragm tightly against the outlet to seal the valve.
- Opening Phase: When the pulse controller sends an electric signal, the solenoid armature lifts, opening the bleed hole. The pressure in the rear chamber drops rapidly.
- Pulse Injection: The high-pressure air from the header tank pushes the diaphragm up, allowing air to travel in a linear path through the valve directly into the blowpipe.
- Reset: When the signal stops, the bleed hole closes, and pressure builds back in the rear chamber, resealing the diaphragm.
3. ADVANTAGES OF STRAIGHT-THROUGH DESIGN
- Minimal Airflow Resistance: Unlike right-angle valves (90° turn), the linear path ensures minimal pressure loss and maximum cleaning energy.
- Large Air Volume: Under the same pressure, it releases a higher volume of instantaneous air, ideal for cleaning long filter bags.
- High Response Speed: The streamlined structure allows for millisecond-level reaction times, improving cleaning cycle efficiency.
- Compact Installation: Perfectly suited for configurations where the air tank and blowpipe are horizontally aligned, saving overhead space.
4. DISADVANTAGES & TECHNICAL LIMITATIONS
- Strict Installation Precision: Precise alignment between the air tank and blowpipe is required to prevent leaks.
- Higher Air Tank Demand: Large instantaneous air consumption requires a sufficiently sized header tank.
- Diaphragm Stress: Requires premium materials like Xiechang’s 1-million-cycle diaphragms to handle the linear high-pressure impact.
5. TYPICAL APPLICATION SCENARIOS
The Straight-Through valve is the preferred choice for:
- High-Pressure Cleaning Systems: Strong penetration for deep dust layers.
- Heavy Industries: Cement Plants, Steel Mills, and Power Generation.
- High-Viscosity Dust: When high kinetic energy is needed to dislodge sticky dust.
- Linear Piping Layouts: Parallel air tank and blowpipe configurations.
















